BES M18ME1-GNX80B-S04G-EEX
Precision Engineering Meets Safety
The ATEX Inductive Sensor is designed to provide accurate and reliable detection, even in hazardous environments. With its robust build and advanced functionality, it is the go-to choice for professionals working in critical applications.
Exceptional Sensing Range and Build
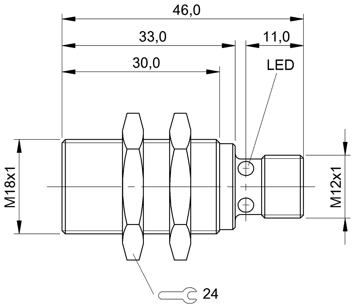
This sensor features an impressive 8mm sensing range, ensuring precise performance in a wide array of operational scenarios. Housed in a durable M18x1 body, it boasts high resistance to wear-and-tear, making it suitable for demanding industrial settings.
Seamless Connectivity and Versatility
The M12x1 4-pin connector ensures secure and seamless integration with your existing systems, offering exceptional versatility and ease of installation. Whether you?re upgrading or building a new project, this sensor is engineered to streamline your operations.
Request an Equivalent or Alternative Brand
Can’t find the exact part or looking for a more cost-effective solution? Our engineers will suggest the best-matched alternatives (SKF, FAG, NSK, etc.) for your specific application.